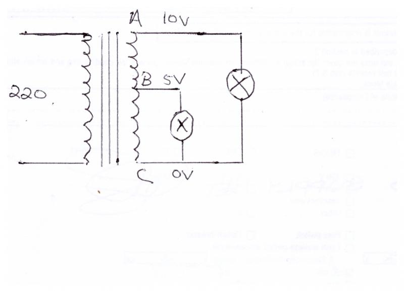
Looking at circuit No1.
10V transformer with centre tap at 5V.
Lamp 1 has 5V across it. Lamp 2 also has 5V across it. Easy peezy.
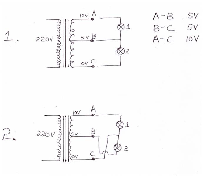
Now looking at circuit No2.
Same transformer with the lamps connected slightly different.
What voltage would one expect to get across lamp 1 and lamp 2.
I've hit a blank.
10V transformer with centre tap at 5V.
Lamp 1 has 5V across it. Lamp 2 also has 5V across it. Easy peezy.
Now looking at circuit No2.
Same transformer with the lamps connected slightly different.
What voltage would one expect to get across lamp 1 and lamp 2.
I've hit a blank.

Comment